Tel:185 7060 1135                mail: sales@smartlinkiot.com

智联达物联网技术(深圳)有限公司

PI4ULS3V4857
    发布时间: 2023-06-05 10:58    

The PI4ULS3V4857 is an SD 3.0-compliant bidirectional dual voltage level translator without direction pin control. It can translate the memory card voltage to 1.8V or 3.0V signal levels from 1.2V to 1.8V of host side and supports SD 3.0 SDR104(208Mhz), SDR50(100Mhz), DDR50(50Mhz), SDR25(50Mhz), SDR12(25Mhz) and SD 2.0 High-Speed (50 MHz) and Default-Speed (25 MHz) modes. To supply the memory card I/Os, the device has an integrated voltage selectable regulator and an auto-enable/disable function that connects to the VSD supply pin. The PI4ULS3V4857 also has built-in EMI filters and ESD protections. 

PI4ULS3V4857

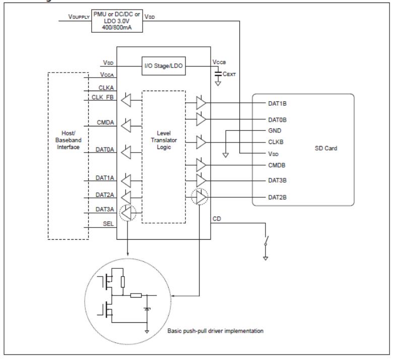
Description 

The PI4ULS3V4857 is an SD 3.0-compliant bidirectional dual voltage level translator without direction pin control. It can translate the memory card voltage to 1.8V or 3.0V signal levels from 1.2V to 1.8V of host side and supports SD 3.0 SDR104(208Mhz), SDR50(100Mhz), DDR50(50Mhz), SDR25(50Mhz), SDR12(25Mhz) and SD 2.0 High-Speed (50 MHz) and Default-Speed (25 MHz) modes. To supply the memory card I/Os, the device has an integrated voltage selectable regulator and an auto-enable/disable function that connects to the VSD supply pin. The PI4ULS3V4857 also has built-in EMI filters and ESD protections. 

Features 

Supports up to 208 MHz clock rate 

Supports 1.2V to 1.8V host side interface voltage 

Voltage translation supports SDR104, SDR50, DDR50, SDR25, SDR12, High-Speed and Default-Speed modes and comply SD 3.0 specification 

Automatic enable and disable through VSD supply pin 

Built-in 100mA Low dropout voltage regulator to supply the voltage of memory card I/Os 

Integrated pull-up and pull-down resistors 

Integrated EMI filters for digital I/Os 

On card side, supports 8 kV ESD protection(IEC 61000-4-2, level 4)

Level shifting buffers keep ESD stress away from the host

Totally Lead-Free & Fully RoHS Compliant (Notes 1 & 2) 

Halogen- and Antimony-Free. “Green” Device (Note 3) 

For automotive applications requiring specific change control (i.e. parts qualified to AEC-Q100/101/200, PPAP capable, and manufactured in IATF 16949 certified facilities), please contact us or your local Diodes representative. https://www.diodes.com/quality/product-definitions/ 

Packaging (Pb-free & Green): à 20-ball (WLCSP), pitch 0.4 mm 

Applications 

Smart phones 

Mobile handsets 

Digital cameras 

Tablet PCs 

Laptop computers 

SD, MMC or microSD card readers


PI4ULS3V4857 Datasheet Download